安徽农垦集团
领导信箱
企业白名单
安徽农垦集团
安徽农垦集团
集团简介
组织架构
所属单位
政务公开
安徽农垦集团:农机购置补贴信息公开专栏
皖垦“视”界
皖垦新闻
垦区要闻
现代农业
产业动态
媒体聚焦
开放合作
党建引领
安徽农垦集团
专题栏目
安徽农垦集团:深入贯彻中央八项规定精神学习教育
安徽农垦集团:学习贯彻党的二十届三中全会精神
党纪学习教育专栏
安徽农垦集团:牢记嘱托 感恩奋进
安徽农垦集团:学习贯彻党的二十大精神
通知公告
通知公告
信息公开
企业信息
经济信息
三重一大事项
社会责任履行
整改落实情况
企业党建
安徽农垦集团:有关部门规定的其他事项
信息公开制度
各级子企业信息公开
安徽农垦集团
安徽农垦集团
+
-
集团简介
组织架构
所属单位
政务公开
农机购置补贴信息公开专栏
皖垦“视”界
皖垦新闻
+
-
垦区要闻
现代农业
产业动态
媒体聚焦
开放合作
党建引领
安徽农垦集团
专题栏目
+
-
安徽农垦集团:深入贯彻中央八项规定精神学习教育
学习贯彻党的二十届三中全会精神
党纪学习教育专栏
安徽农垦集团:牢记嘱托 感恩奋进
安徽农垦集团:学习贯彻党的二十大精神
主题教育
通知公告
+
-
通知公告
信息公开
+
-
企业信息
企业简介
机构领导
经济信息
经营情况
国有资产保值增值
财务状况
企业年度报告
三重一大事项
重大决策
人事任免
人事招聘
项目安排
招投标公告
大额资金运作
社会责任履行
整改落实情况
企业党建
安徽农垦集团:有关部门规定的其他事项
信息公开制度
各级子企业信息公开
寿西湖农场公司
正阳关农场公司
淮南农场公司
水家湖农场公司
东风湖农场公司
焦岗湖农场公司
阜蒙农场公司
龙亢农场公司
方邱湖农场公司
潘村湖农场公司
大圹圩农场公司
白米山农场公司
夹沟农场公司
砀山果园场公司
华阳河农场公司
皖河农场公司
皖垦种业公司
皖垦茶业集团
通和集团
皖垦资本运营公司
农垦农产品公司
土地复垦公司
和安食品公司
省农服公司
江南茶海禽业公司
农垦建筑公司
安禽禽业公司
垦健牧业公司
企务公开
安徽省农垦集团有限公司所属企业高层次人才招聘公告
安徽农垦2025年农业生产社会化服务项目环节验收补助面积及资金的公示
安徽农垦集团:安徽省农垦集团有限公司所属企业公开招聘公告
安徽农垦集团:安徽省农垦集团有限公司2025年秋季人才公开招聘公告
安徽农垦集团:安徽农垦2025年农业生产社会化服务项目环节验收补助面积及资金的公示
安徽农垦2025年农业生产社会化服务项目环节验收补助面积及资金的公示
安徽省农垦集团公开招聘公告
安徽省农垦集团所属企业公开招聘公告
安徽农垦2025年农业生产社会化服务项目环节验收补助面积及资金的公示
安徽省农垦集团有限公司所属企业公开招聘公告
网站安徽农垦集团
>
信息公开
>
企务公开
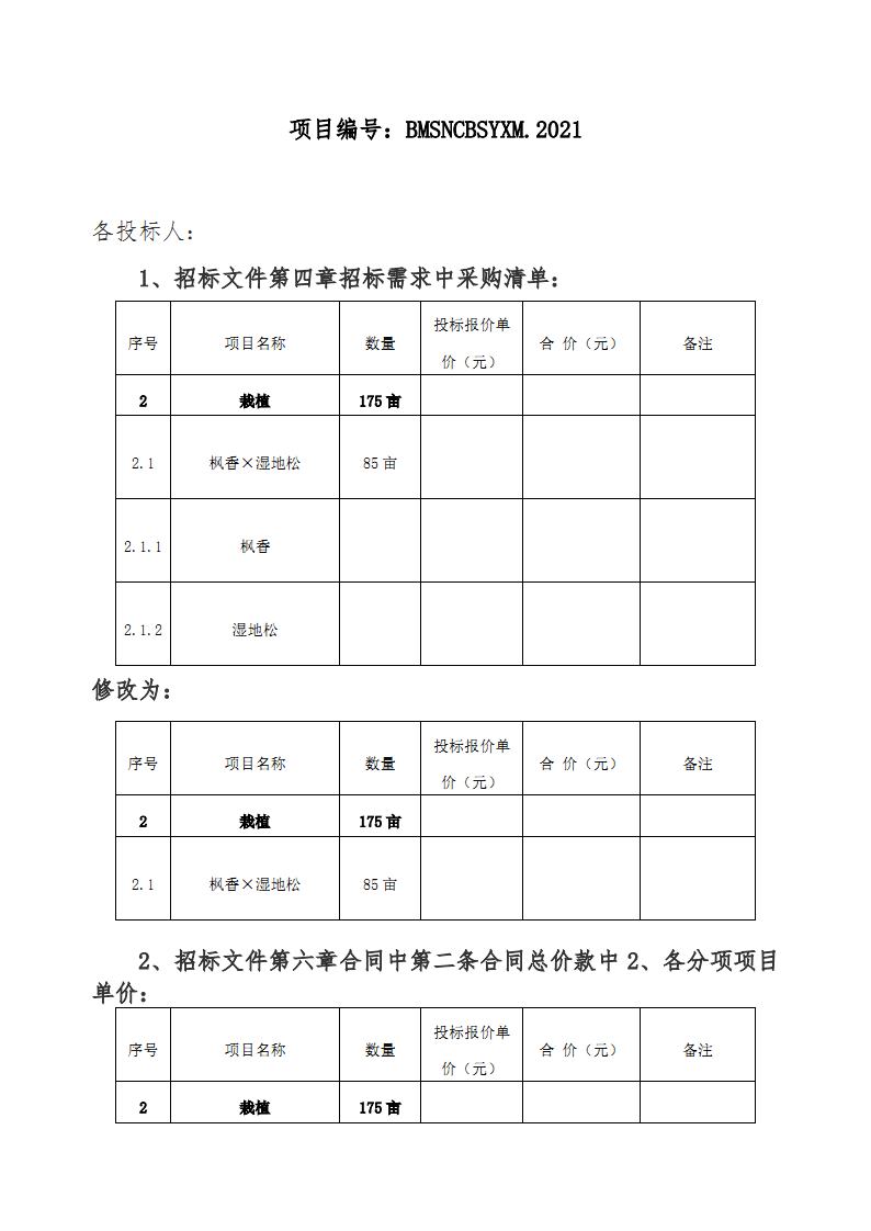
安徽省农垦集团白米山农场有限公司百树园项目(二期)补遗-1
发布日期:2021-10-21 来源: 浏览次数:11838
上一篇:
安徽农垦集团:阜濛农场公司2021年农业配套设施建设项目投标邀请函
下一篇:
安徽农垦集团:安徽省农垦集团白米山农场有限公司百树园项目(二期)投标邀请函
安徽农垦集团
安徽农垦集团
安徽农垦集团
安徽农垦集团
安徽农垦集团